研究・産学官民連携 Research

Acoustic Design: A State-of-the-Art of Engineering Acoustics for Enriching Quality of Life

Research Projects and Initiatives

Recent Studies at Faculty of Design

Acoustic Design: A State-of-the-Art of Engineering Acoustics for Enriching Quality of Life

Department of Acoustic Design, Faculty of Design
Associate Professor Kazuhiko Kawahara

 The word "sound" encompasses not only music but also language (spoken words). It also includes environmental sounds such as noise.

 The Kawahara Laboratory primarily addresses acoustic design from an engineering perspective, focusing on organizing, managing, and designing sound within spaces (environments).

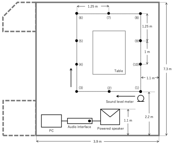
 To understand the current state of an acoustic environment, measurement is essential. For example, it is necessary to measure the transfer function and impulse response, which are the acoustic characteristics from the sound source (loudspeaker) to the listening position. This is fundamental data for sound transmission design, enabling uniform sound distribution in large spaces such as station platforms and commercial facilities. Traditionally, this measurement required a significant amount of time because it required measurements at numerous points. To reduce measurement time, we propose the "continuous measurement method." This method involves continuously measuring while moving, rather than taking discrete point measurements as in our work [1]. Figure 1 shows the measurement points and the continuous measurement path used when measuring the transfer function in an experimental preparation room.

 Figure 2 shows the transfer function measurement results. The difference between the conventional fixed-point measurement and the continuous measurement method results is at most about 3dB.

 We consider this accuracy to be sufficiently practical for acoustic design data.

 The greatest advantage is that the measurement time can be reduced to less than 1/10 of that of the conventional method.

Figure 1: Measurement points and continuous measurement path

Figure 2: Example of transfer function measurement (red line: conventional method, blue line: continuous measurement method)

Figure 3: Measurement of sound field properties using different speakers

 Furthermore, the Kawahara Laboratory proposes a "bending wave loudspeaker" as a sound source device for acoustic design. This device has a wide radiation angle, making it difficult to determine the sound source's position from the sound alone.

 Investigating the relationship between the loudspeaker's auditory impression and the acoustic characteristics of the sound field is also a current research topic [2]. (Figure 3)

 Acoustic Design is the design of human-centered sound environments and the related technologies that support them [3].

 The acoustic space may not necessarily feature an impactful sound field, but it aims to appropriately convey necessary auditory information and support activities such as work (including intellectual labor) and play within that sound field.

 

[1] Concept and Formulation for Continuous Measurement of Acoustic Transfer Functions, Yuka Kobayashi, Kazuhiko Kawahara, Miyato Tachibana, Proceedings of 2025 IEEE 14th Global Conference on Consumer Electronics, pp. 1002-1005, 2025.  https://ieeexplore.ieee.org/document/11274875

  [2] A Study on Loudspeaker Evaluation with Acoustical Room Interaction, Rina Mizukami, Kazuhiko Kawahara, IEICE Technical Report on Applied Acoustics EA2025-63, 2025.

 [3] Development and Evaluation of an Applause and Hand-Clapping Sound Feedback System to Improve a Sense of Unity on Live Viewing, Akiho Fujimori, Kazuhiko Kawahara, Yutaka Kamamoto, Takashi G. Sato, Moe Nishikawa, Akira Omoto, Takehiro Moriya, The IEICE Transactions on Fundamentals of Electronics, Communications and Computer Sciences (Japanese Edition), pp. 273-282 Vol. J101-A, No.12, 2018,

 

■Contact
Department of Acoustic Design, Faculty of Design
Associate Professor Kazuhiko Kawahara