Attention

This website (all pages under https://www.kyushu-u.ac.jp/ja/) is automatically translated.
Please note that pages of academic units linked from this site, as well as external websites, are not subject to automatic translation.
To revert to the original Japanese while automatic translation is active, please click "Automatic Translation."
Please be aware that automatic translation is a mechanical process and may not accurately convey the intended meaning. In addition, images and charts may not be translated.
For accurate information, please refer to the Japanese version.
For some articles, an English version translated by our specialist staff is available. To view it, click "English" in the upper right corner of the screen.

本サイト(https://www.kyushu-u.ac.jp/ja/ 配下のページ)では自動翻訳システムを使用しています。
本サイト内からリンクされている部局のページや外部サイトについては、自動翻訳の対象外となります。
翻訳適用中に、「Automatic Translation」をクリックすると元の日本語表示に戻ります。
自動翻訳は機械的に変換を行うため、意図が正確に反映されない場合や、画像・図表が翻訳されない場合があります。あらかじめご了承ください。
正確な情報については日本語表示の状態でご確認ください。
なお、一部の記事については、専門スタッフが翻訳した英語版もご用意していますので、画面右上の「English」をクリックしてご覧ください。

Research 研究・産学官民連携

生活の質をゆたかにする芸術工学音響設計

芸術工学研究院 研究紹介

生活の質をゆたかにする芸術工学音響設計

芸術工学研究院 音響設計部門
 准教授 河原 一彦

一般的に「音」という語は,音楽だけではなく,言語(はなしことば)も含んでいます。騒音などの環境音も含まれます。
河原研究室では,主に空間(環境)内での音を整理し管理・設計する音響設計に関して工学的な側面から取り組んでいます。
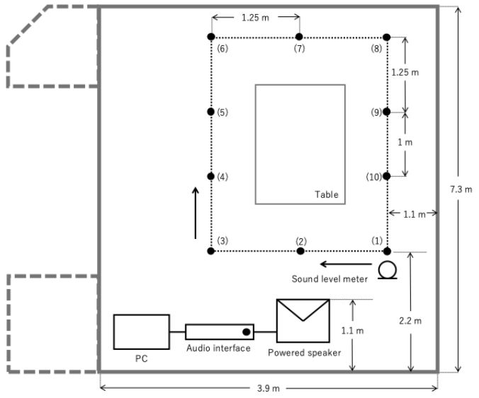
音環境の現状を把握するためには,測定が必要です。たとえば音源となるスピーカから受音位置までの音響特性である伝達関数やインパルス応答を測定する必要があります。駅のプラットホームや商業施設などの比較的大きな空間で均質に音を伝達するための音伝達設計の基礎的なデータです。この測定には多数の地点の測定が必要なため,従来は長い時間が必要です。測定時間を短縮するために,「連続測定法」を提案しています。この測定法は,従来は離散的な点で測定していたものを,移動しながら連続的に測定するものです[2]。図1に,実験準備室内で伝達関数を測定した際の測定点と連続測定の経路を示します。

図1: 測定対象における測定点と連続測定の経路

図2 伝達関数の測定例(赤線は従来法, 青線は連続測定法)

図2に,伝達関数の測定結果をしめします。従来の固定点測定と,連続測定法の測定結果の差は,最大でも3dB 程度です。
音響設計のためのデータとしては,十分実用的な精度であると考えています。
なにより,測定に必要な時間が 10分の1 以下にできるのが最大の利点です。

また,河原研究室では,音響設計のための音源デバイスとして,広い放射角をもち,聴覚的に音源の位置がわかりにくいという特徴をもつ,「曲げ波スピーカ」を提案しています。
このスピーカの聴覚印象と音場の音響特性の関連を調べることも,現在の課題です[2]。(図3 )

図 3 スピーカの違いによる,音場の性質の測定の様子

芸術工学音響設計は,ヒトを中心とした音環境の設計とその関連技術です [3]。
その場は,かならずしも,「すごい音場」ではないかもしれませんが,必要な音情報が適切に伝達でき,その音場で,頭脳労働を含め働くこと,遊ぶことなどの活動をサポートすることを目指しています。

[1] Concept and Formulation for Continuous Measurement of Acoustic Transfer Functions, Yuka Kobayashi, Kazuhiko Kawahara, Miyato Tachibana, Proceedings of 2025 IEEE 14th Global Conference on Consumer Electronics, pp. 1002-1005, 2025.
https://ieeexplore.ieee.org/document/11274875

[2] 室の評価手法を用いたスピーカ測定の試み, 水上莉菜, 河原一彦, 電子情報通信学会 応用音響研究会資料 EA2025-63, 2025.

[3] ライブビューイングの一体感向上のための拍手音フィードバックシステムの構築と評価, 藤森朗穂,河原一彦,鎌本優,佐藤尚,西川萌恵,尾本章,守谷健弘, 電子情報通信学会論文誌(基礎境界) pp. 273-282, Vol, J101-A No. 12, 2018.

■お問合せ先
芸術工学研究院 音響設計部門
准教授 河原 一彦